- Steyr Puch PKW
- Haflinger Teile
- Fiat Modelle
- Fiat/Lancia Modelle. Lagerabverkauf
- Oldtimerbedarf
- Service und Links
- Literatur
- Blog
4.1 Vorderradaufhängung
Produkte filtern
Produktnummer: Tx4x010
Federanschlag vorne für Topolino Modell B, 2 Stück
Produktnummer: MC109
Dichtring Hebelstoßdämpfer für Topolino Modell A, Satz für eine Achse
Produktnummer: Tx4x302
passen auch auf B, mit anderen Gummis (bitte bei uns fragen)
Produktnummer: 3000055948
Simmerring Radlager vorne für Topolino Modelle.
Produktnummer: Tx7x005
Radmutter Topolino (bis Fgstnr. 411947)
Produktnummer: Tx4x021
Blattfederreperatursatz für Topolino Modelle.
Produktnummer: Tx4x133
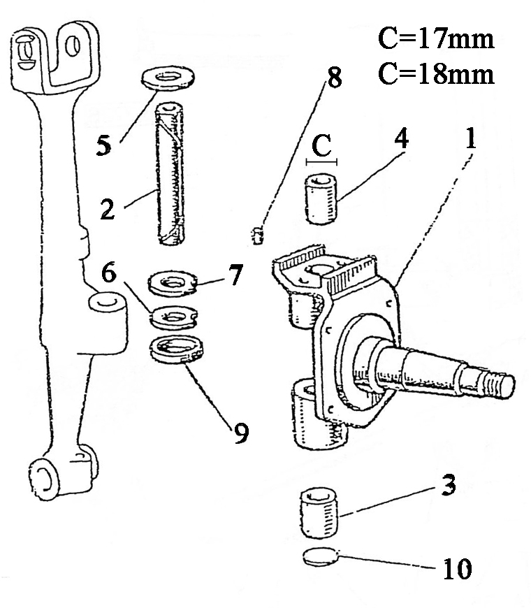
unten, außen, kurz Aussendm. Buchse 18mm
Produktnummer: 3x4x031_
pro Auge 2 Stück = 4 Stück pro Dämpfer, = 8 Stück per Achse benötigt 16mm ist der Innendurchnesser
Produktnummer: 4x7x019.
Fiat Topolino /500 /600 /126 /850 alle
Produktnummer: Tx7x015
ab Fgstnr. 050113, für vorne