- Steyr Puch PKW
-
Haflinger Teile
-
1. Motor
- 1.01 Kurbelgehäuse, Zylinder, Zylinderkopf
- 1.05 Kurbelwelle, Pleuelstange, Kolben
- 1.10 Nockenwelle, Ventile
- 1.15 Öleinfüllung, Ölpumpe, Ölfilter, Ölkühler
- 1.16 Öleinfüllung, Ölpumpe, Ölfilter, Ölkühler Geschlossene Kürbelgehäuseentlüftung
- 1.20 Gebläse
- 1.25 Motor-Abdeckbleche
- 1.30 Regler mit Antrieb Ausführung für Fahrzeug ohne Nebenantrieb
- 1.31 Regler mit Antrieb Ausführung für Fahrzeug mit Nebenantrieb
- 1.35 Luftfilter, Ansaugrohr Zenith Vergaser 32 NDIX Serie I
- 1.36 Luftfilter, Ansaugrohr Weber Vergaser 32 Serie I
- 1.37 Luftfilter, Ansaugrohr Zenith Vergaser 32 NDIX Serie II (mit Trockenluftfilter)
- 1.38 Luftfilter, Ansaugrohr Serie II (mit Trockenluftfilter)
- 1.40 Vergaser - Zenith 32 NDIX
- 1.41 Vergaser Weber 32ICS
- 1.45 Benzinfilter
- 1.46 Benzinpumpen Übersicht
- 1.47 Weber
- 1.48 Solex (Pierburg)
- 1.50 Kraftstoffbehälter und Leitungen
- 1.55 Auspuffanlage ohne Heizung
- 1.56 Auspuffanlage mit Heizung
- 1.60 Kupplung
- 1.70 Luftfilter und Luftführungsrohre
- 1.75 Luftführungen zur Auspuffheizung
- 2. Getriebe
- 3. Vorder- und Hinterachse
- 4. Radaufhängung
- 5. Lenkung
- 6. Radnaben
- 7. Räder und Bremsen
- 8. Bedienungsorgane
- 9. Zündung, Schalter, vordere Leuchten
- 10. Schlussleuchten, Scheibenwischer
- 20. Bodengruppe
- 21. Stirnwandzubehör
- 23. Sitze
- 25. Bordwände
- 26. Verdeckgerüste
- 27. Fahrzeugverdecke
- 28. Türen
- 30. Zusatzausrüstungen
- Werkzeug
- Modellautos
- Literatur
- Geschenkartikel, Merchandising
-
1. Motor
- Fiat Modelle
- Fiat/Lancia Modelle. Lagerabverkauf
- Oldtimerbedarf
- Service und Links
- Literatur
- Blog
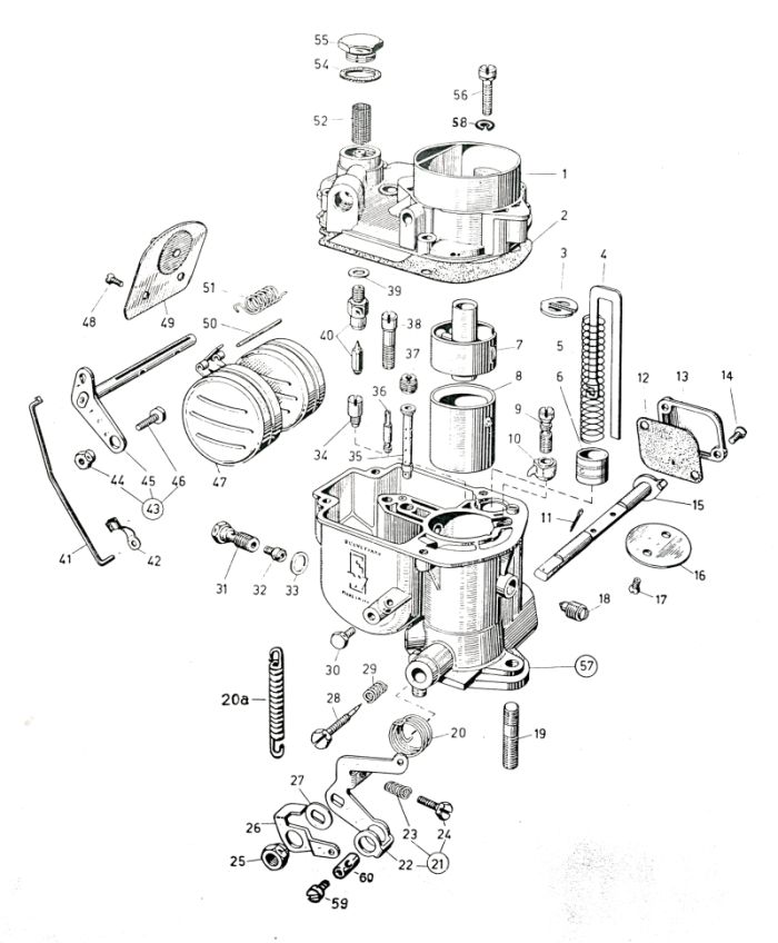
1.41 Vergaser Weber 32ICS
Bei Vergaser ist Reparatur möglich. Nähere Informationen erhalten Sie in unserem Geschäft.
Wenn es Probleme mit diesem Vergaser gibt, dann liegt das fast immer an undichten Schwimmern und/oder ausgeschlagenen Schwimmernadelventilen.
Produkte filtern
Produktnummer: 1x1x615
Dichtsatz mit Pertinaxflanschdichtung
Produktnummer: 1x1x614
mit Schwimmernadelventil, Pertinaxflanschdichtung
Produktnummer: 1x13x351
Ausgabe 2026 jetzt mit den Benzinpumpen ergänztvon DI Roland HEIML, 45 Jahre Erfahrung mit jedem Puch Vergaser perfekt aufbereitet. Alle je verwendeten Vergaser (Weber 28 IBMS, Solex 28 VFIS, Weber 32 ICS, Solex 32 PCI, Zenith 32 NDIX, Solex 40 PID) ausführlichst behandelt. Zerlegen, Fehler finden, Zusammenbau, Einstellung etc. Das non plus Ultra für Puch Vergaser. Auf Grund unseres Wunsches endlich auch für alle erhältlich. Format A4, 174 Seiten, Auflage 5, September 2025
Produktnummer: 1x1x685
5041084156, std, Hebel muß angeschraubt werden, Repro made in Germany, Weber 10015.423
Produktnummer: 1x1x685Ue
5041084156, 8,5mm, Hebel muß angeschraubt werden, Repro made in Germany, Weber 10016.434
Produktnummer: 1x1x123
Premium, 5041080131, für alle Puch 32 und 40 Einfachvergaser, vollkommen plan, österreichische Produktion, Pertinax ist eine eingetragenes Markenzeichen der Dr. Dietrich Müller GmbH
Produktnummer: 1x1x122
5021080071, für alle Puch 32 und 40 Einzelvergaser
Produktnummer: 1x1x686_AT
Ausnahmslos Austausch Zug um Zug, Auf die alte Schwimerachse (siehe 2. Bild) werden neue, originale Weber Schwimmerkörper aus Messing gelötet. Deshalb benötigen wir aber die alten Schwimmer zur Verwendung der Befestigungsachse. Wir haben fertige Schwimmer auf Lager, die Auslieferung erfolgt erst, wenn der alte Schwimmer bei uns einlangt, Eine Anleitung zur Schwimmerjustierung wird beigelegt.