- Steyr Puch PKW
-
Haflinger Teile
-
1. Motor
- 1.01 Kurbelgehäuse, Zylinder, Zylinderkopf
- 1.05 Kurbelwelle, Pleuelstange, Kolben
- 1.10 Nockenwelle, Ventile
- 1.15 Öleinfüllung, Ölpumpe, Ölfilter, Ölkühler
- 1.16 Öleinfüllung, Ölpumpe, Ölfilter, Ölkühler Geschlossene Kürbelgehäuseentlüftung
- 1.20 Gebläse
- 1.25 Motor-Abdeckbleche
- 1.30 Regler mit Antrieb Ausführung für Fahrzeug ohne Nebenantrieb
- 1.31 Regler mit Antrieb Ausführung für Fahrzeug mit Nebenantrieb
- 1.35 Luftfilter, Ansaugrohr Zenith Vergaser 32 NDIX Serie I
- 1.36 Luftfilter, Ansaugrohr Weber Vergaser 32 Serie I
- 1.37 Luftfilter, Ansaugrohr Zenith Vergaser 32 NDIX Serie II (mit Trockenluftfilter)
- 1.38 Luftfilter, Ansaugrohr Serie II (mit Trockenluftfilter)
- 1.40 Vergaser - Zenith 32 NDIX
- 1.41 Vergaser Weber 32ICS
- 1.45 Benzinfilter
- 1.46 Benzinpumpen Übersicht
- 1.47 Weber
- 1.48 Solex (Pierburg)
- 1.50 Kraftstoffbehälter und Leitungen
- 1.55 Auspuffanlage ohne Heizung
- 1.56 Auspuffanlage mit Heizung
- 1.60 Kupplung
- 1.70 Luftfilter und Luftführungsrohre
- 1.75 Luftführungen zur Auspuffheizung
- 2. Getriebe
- 3. Vorder- und Hinterachse
- 4. Radaufhängung
- 5. Lenkung
- 6. Radnaben
- 7. Räder und Bremsen
- 8. Bedienungsorgane
- 9. Zündung, Schalter, vordere Leuchten
- 10. Schlussleuchten, Scheibenwischer
- 20. Bodengruppe
- 21. Stirnwandzubehör
- 23. Sitze
- 25. Bordwände
- 26. Verdeckgerüste
- 27. Fahrzeugverdecke
- 28. Türen
- 30. Zusatzausrüstungen
- Werkzeug
- Modellautos
- Literatur
- Geschenkartikel, Merchandising
-
1. Motor
- Fiat Modelle
- Fiat/Lancia Modelle. Lagerabverkauf
- Oldtimerbedarf
- Service und Links
- Literatur
- Blog
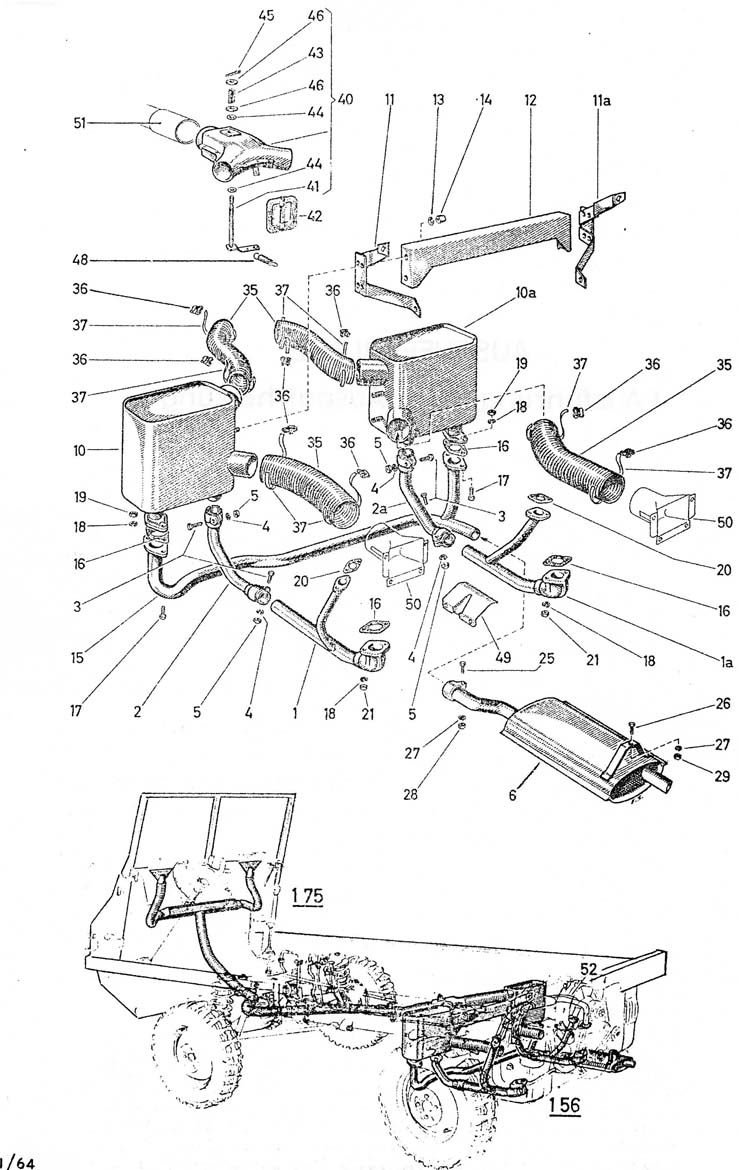
1.56 Auspuffanlage mit Heizung
Produkte filtern
Produktnummer: 7001120632
700.1.12.063.2, für das Rohr wurden originale Gußkrümmer verwendet. Senden Sie uns den alten Gußkrümmer (der Flansch alleine reicht, siehe weitere Bilder) retour, bekommen Sie 42,- inkl (35,- netto) Kaution zurück. Die Gußkrümmer wurden deshalb serienmäßig verwendet, weil damit engere 90 Grad Bögen als mit Rohren möglich sind. Damit erhöht sich die Bodenfreiheit.
Produktnummer: 7001120662
700.1.12.066.2, für das Rohr wurden originale Gußkrümmer verwendet. Senden Sie uns den alten Gußkrümmer (der Flansch alleine reicht, siehe weitere Bilder) retour, bekommen Sie 42,- inkl (35,- netto) Kaution zurück. Die Gußkrümmer wurden deshalb serienmäßig verwendet, weil damit engere 90 Grad Bögen als mit Rohren möglich sind. Damit erhöht sich die Bodenfreiheit.
Produktnummer: 7001120702
700.1.12.070.2
Produktnummer: 1x11x885.
7001661228, Bitte die benötigte Länge in 10cm (1 Einheit = 10cm) angeben. Dieser Schlauch wurde sowohl bei der Auspuffheizung als auch in der Kabine mit verschiedenen Längen verwendet. Maximallänge 1,1Meter in Einem
Produktnummer: 1x1x711_.
50111209, Neuproduktion aus Wien, Klingerit
Produktnummer: 50111209_.
orirignal Steyr-Puch, NOS (New old stock)
Produktnummer: 1x1x621.
50110827, Neuproduktion aus Wien, Klingerit
Produktnummer: 50110827.
orirignal Steyr-Puch, NOS (New old stock)