- Steyr Puch PKW
-
Haflinger Teile
- 1. Motor
- 2. Getriebe
- 3. Vorder- und Hinterachse
- 4. Radaufhängung
- 5. Lenkung
- 6. Radnaben
- 7. Räder und Bremsen
- 8. Bedienungsorgane
-
9. Zündung, Schalter, vordere Leuchten
- 9.01 Batterie, Startschütz
- 9.10 Motor-Elektrik, Batterie II
- 9.11 Dynastarter
- 9.12 Zündung, Zündverteiler, Regler
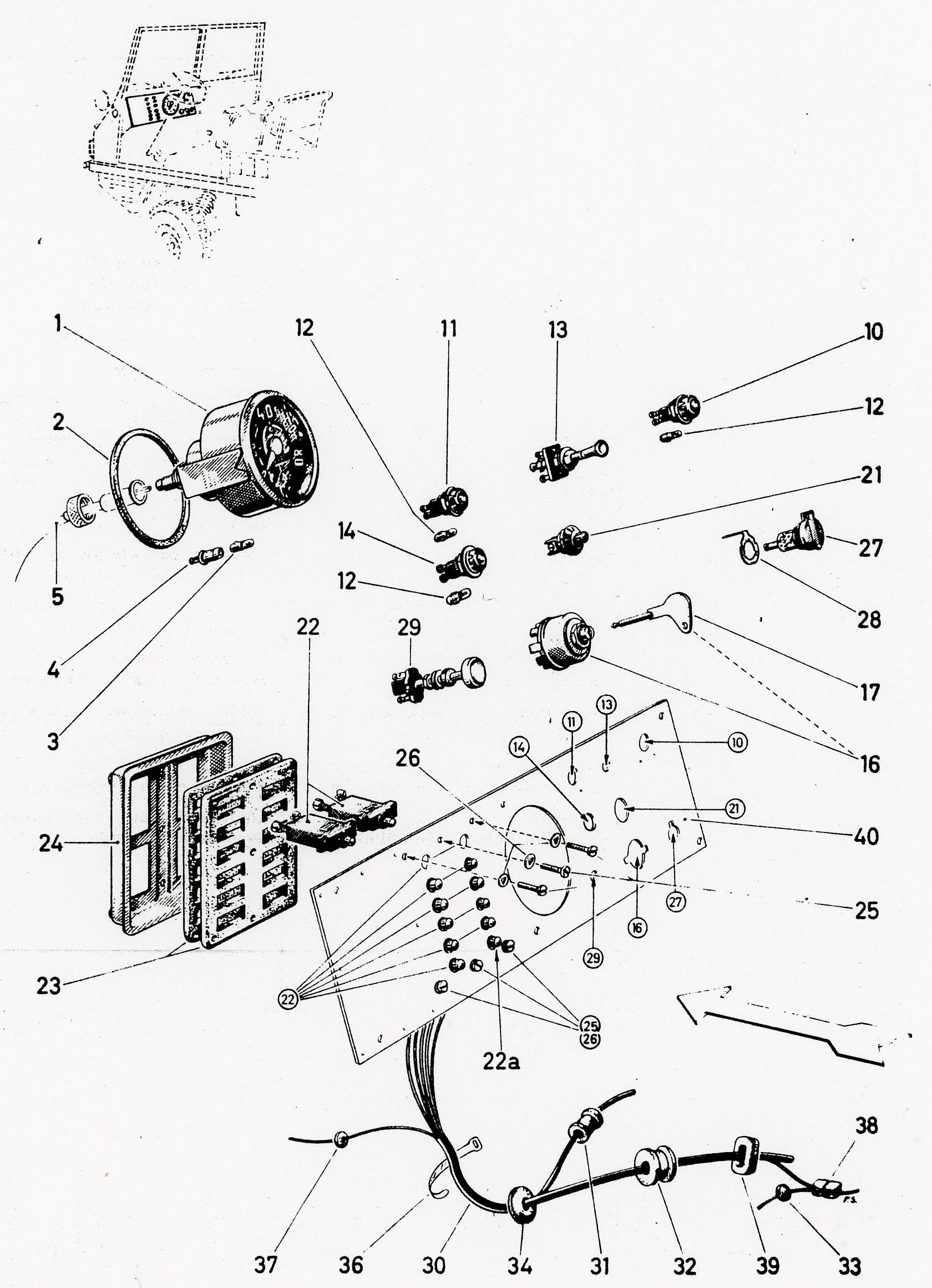
- 9.20 Tacho, Sicherungsdose, Schalter, Zündschloß und Kontrollleuchten am Armaturenbrett, Kabelstrang
- 9.21 CH Armee / Tacho, Sicherungsdose, Schalter, Zündschloß und Kontrollleuchten am Armaturenbrett, Kabelstrang
- 9.29 Schalter, Kontrollleuchten, Kabelstrang für Ausführung mit Polyesterfahrerhaus
- 9.30 Blinker-, Bremslicht- und Fußabblendschalter, Horn und Horndruckknopf
- 9.40 Scheinwerfer 130mm für alle Fahrzeuge
- 9.80 Vordere und Seitliche Blinkleuchten - Standard
- 9.83 Vordere und Seitliche Blinkleuchten - Sonderformen - CH, IT, USA, Polyesterfahrerhaus
- 9.90 Elektrische Tarnausrüstung
- 10. Schlussleuchten, Scheibenwischer
- 20. Bodengruppe
- 21. Stirnwandzubehör
- 23. Sitze
- 25. Bordwände
- 26. Verdeckgerüste
- 27. Fahrzeugverdecke
- 28. Türen
- 30. Zusatzausrüstungen
- Werkzeug
- Modellautos
- Literatur
- Geschenkartikel, Merchandising
- Fiat Modelle
- Fiat/Lancia Modelle. Lagerabverkauf
- Oldtimerbedarf
- Service und Links
- Literatur
- Blog
9.21 CH Armee / Tacho, Sicherungsdose, Schalter, Zündschloß und Kontrollleuchten am Armaturenbrett, Kabelstrang
Produkte filtern
Produktnummer: 5011868202_
501.1.86.820.2, für alle VDO Instrumente
Produktnummer: 5011851160_
für Polyesterführerhaus, Öldruck-, Lade- und Kraftstoffkontrollampe
Produktnummer: 7001860080
Deutschlandversion, mit Drehschalter statt Schlüssel
Produktnummer: 7003868041.
700.3.86.804.1, original Bosch, paßt für CH und ÖBH