-
Steyr Puch PKW
- Steyr Puch PKW, Combi bis 1968
-
Steyr Puch 500/500S ab 1968
-
1. Motor
- 1.01 Kurbelgehäuse, Zylinder, Zylinderkopf
- 1.05 Kurbelwelle, Pleuelstange, Kolben
- 1.10 Nockenwelle, Ventile
- 1.15 Öleinfüllung, Ölpumpe, Ölfilter, Ölkühler
- 1.20 Gebläse
- 1.25 Motor-Abdeckbleche
- 1.35 Luftfilter, Ansaugrohr
- 1.41 Vergaser Weber 28 IBMS
- 1.44 Vergaser Solex 40 PID
- 1.46 Benzinpumpen Übersicht
- 1.47 Weber
- 1.48 Solex (Pierburg)
- 1.50 Kraftstoffbehälter und -Leitungen
- 1.55 Auspuffanlage
- 1.60 Kupplung
- 1.65 Motoraufhängungen
- 2. Getriebe
- 3. Tachometer und Wellen
- 4. Radaufhängungen
- 5. Lenkung
- 7. Räder und Bremsen
- 8. Bedienungsorgane, Seilzüge
- 9. Elektrik (Zündung, Leuchten...)
- 10. Blechteile
- 11. Karosserieteile
- 12. Sonderzubehör
- 13. Literatur
- 14. Werkzeuge und Sonderzubehör
- 15. Accesoire, Geschenke, Gutscheine
-
1. Motor
- Haflinger Teile
- Fiat Modelle
- Fiat/Lancia Modelle. Lagerabverkauf
- Oldtimerbedarf
- Service und Links
- Literatur
- Blog
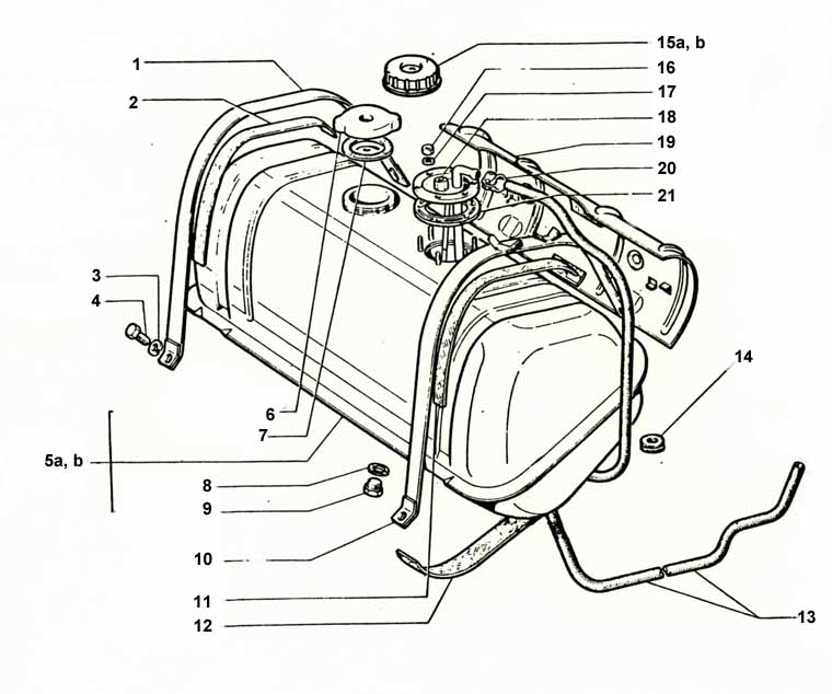
1.50 Kraftstoffbehälter und -Leitungen
Produkte filtern
–
Dichtung für Tankverschluß orirignal
Bild Nr.: 15b
6,90 €*
Produktnummer: 2x1x644
original Fiat, Restbestand