-
Steyr Puch PKW
-
Steyr Puch PKW, Combi bis 1968
-
1.Motor
- 1.01 Kurbelgehäuse, Zylinder, Zylinderkopf
- 1.04 Kurbelwelle, Pleuelstange, Kolben bis 1959
- 1.05 Kurbelwelle, Pleuelstange, Kolben ab 1959
- 1.10 Nockenwelle, Ventile
- 1.14 Öleinfüllung, Ölpumpe, Ölfilter, Ölkühler bis 1959
- 1.15 Öleinfüllung, Ölpumpe, Ölfilter, Ölkühler ab 1959
- 1.20 Gebläse
- 1.25 Motor-Abdeckbleche
- 1.35 Luftfilter, Ansaugrohr
- 1.41 Vergaser - Weber 28 IBMS
- 1.42. Solex 28 VFIS
- 1.43 Solex 32 PCI
- 1.44 Vergaser Weber 32ICS
- 1.45 Vergaser Solex 40 PID
- 1.46 Vergaser - Zenith 32 NDIX
- 1.47 Benzinpumpen Übersicht
- 1.48 Weber
- 1.49 Solex (Pierburg)
- 1.50 Kraftstoffbehälter, Kraftstoffleitungen
- 1.54 Auspuffanlage 57-58
- 1.55 Auspuffanlage ab 1959
- 1.60 Kupplung Alle
- 1.65 Motor und Getriebeaufhängung
- 2. Getriebe
- 3. Tachoantrieb
- 4. Radaufhängungen
- 5. Lenkung
- 7. Räder und Bremsen
- 8. Bedienungsorgane, Seilzüge
- 9. Elektrik (Zündung, Leuchten...)
- 10. Blechteile
- 11. Karosserieteile
- 12. Sonderzubehör
- 13. Literatur
- 14. Werkzeuge
- 15. Geschenkartikel, Merchandising
- 30.95 Zusatzausstattung
- Modellautos
-
1.Motor
- Steyr Puch 500/500S ab 1968
-
Steyr Puch PKW, Combi bis 1968
- Haflinger Teile
- Fiat Modelle
- Fiat/Lancia Modelle. Lagerabverkauf
- Oldtimerbedarf
- Service und Links
- Literatur
- Blog
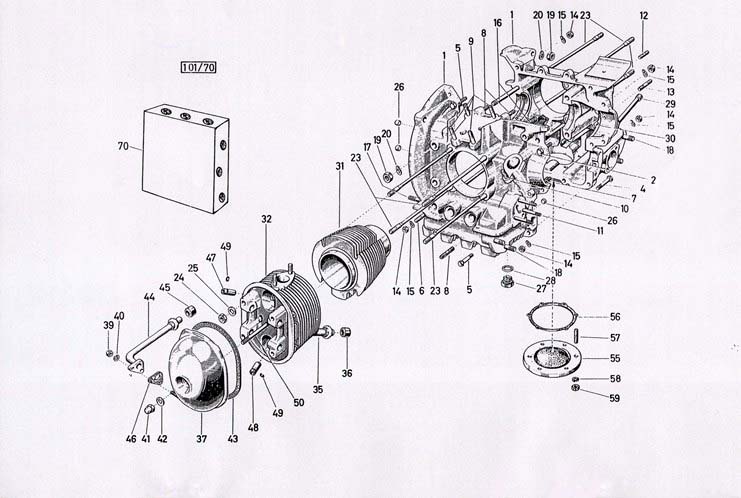
1.01 Kurbelgehäuse, Zylinder, Zylinderkopf
Produkte filtern
Produktnummer: 1x1x042
Dichtungen aus Österreich, Gummis aus Deutschland und Italien, 54 teilig, Silikonsimmerringe mit Drall, Pertinaxflansch, etc, exklusiv bei Autoquariat Große Kurbelwelle Motornummern: Abgrenzung 1959: ab großer Kurbelwelle 500D: ab Motornummer 511 4406 500 DL: ab Motornummer 515 2784 sowie für 500 DH, 500, 500 S, 650 T, 700 C, 700 E, 126 PUCH, Stabilmotor, Sonderbauformen
Produktnummer: 1x1x041
kleine Kurbelwelle bis 1959, 500, 500D: bis Motornummer 511 4405, 500 D1;DL bis Motornummer 515 2783 Dichtungen aus Österreich, Gummis aus Deutschland und Italien, 54 teilig, Silikonsimmerringe mit Drall, Pertinaxflansch, etc, exklusiv bei Autoquariat
Produktnummer: 1x1x321
Für alle Motore mit größeren Einlaß- und Auspuffkanälen, 58-teilig Dichtungen aus Österreich, Gummis aus Deutschland und Italien, Silikonsimmerringe mit Drall, Pertinaxflansch, etc, exklusiv bei Autoquariat
Produktnummer: 1x1x200
Neuer Zylinder und neue Kolben, einbaufertig, beschichtete Kolben mit Ringe und Bolzen, 2 Sätze pro Motor benötigt.
Produktnummer: 1x1x200_AT_70.5
gebohrter + gehonter Zylinder + neuer Kolben, einbaufertig im Austausch, Kolben beschichtet, mit Ringen und Bolzen, 2 Sätze pro Motor benötigt, zuzüglich Kaution von 120,- pro Satz, ab 2020 Kolben Teflon beschichtet
Produktnummer: 1x1x200_AT_71
gebohrter + gehonter Zylinder + neuer Kolben, einbaufertig im Austausch, Kolben beschichtet, mit Ringen und Bolzen, 2 Sätze pro Motor benötigt, zuzüglich Kaution von 100,- pro Satz, ab 2020 Kolben Teflon beschichtet
Produktnummer: 1x1x200_AT_71.5
gebohrter + gehonter Zylinder + neuer Kolben, einbaufertig, im Austausch, Kolben beschichtet, mit Ringen und Bolzen, 2 Sätze pro Motor benötigt, zuzüglich Kaution von 80,- pro Satz, ab 2020 Kolben Teflon beschichtet
Produktnummer: 1x1x002.
5012040161, made in Germany
Produktnummer: 1x1x461
Orirignalersatzteil, 503.1.04.008.1 für alle Motoren mit hoher Verdichtung zur Kurbelgehäuseentlüftung, dazupassend gibt es den Satz Entlüftungsschläuche 1x1x471
Produktnummer: 1x1x471
für alle Motoren mit hoher Verdichtung zur Kurbelgehäuseentlüftung, textilumsponnener Schlauch
Produktnummer: 1x1x001
50110410, aus 3mm Gumnmikork, made in Austria
Produktnummer: 1x1x000
aus Fluorelatomeren, extrem widerstandsfähig, auch für die modernsten Öle geeignet
Produktnummer: 1x1x251
5011040183, + 0,5mm Übermaß, den benötigten Außendurchmesser erreicht man durch Abdrehen, Caro Bronze hat ausgezeichnete Gleiteigenschaften, hohe Verschleißfestigkeit und gute Wärmefestigkeit, optimal für die kleinen Steyr-Puch Hochleistungsmotore
Produktnummer: 1x1x252
5001040283, + 0,5mm Übermaß, den benötigten Außendurchmesser erreicht man durch Abdrehen, Caro Bronze hat ausgezeichnete Gleiteigenschaften, hohe Verschleißfestigkeit und gute Wärmefestigkeit, optimal für die kleinen Steyr-Puch Hochleistungsmotore
Produktnummer: 1x1x421.
5011010901, aus Klinger SIL 4400, alles made in Austria