-
Steyr Puch PKW
-
Steyr Puch PKW, Combi bis 1968
-
1.Motor
- 1.01 Kurbelgehäuse, Zylinder, Zylinderkopf
- 1.04 Kurbelwelle, Pleuelstange, Kolben bis 1959
- 1.05 Kurbelwelle, Pleuelstange, Kolben ab 1959
- 1.10 Nockenwelle, Ventile
- 1.14 Öleinfüllung, Ölpumpe, Ölfilter, Ölkühler bis 1959
- 1.15 Öleinfüllung, Ölpumpe, Ölfilter, Ölkühler ab 1959
- 1.20 Gebläse
- 1.25 Motor-Abdeckbleche
- 1.35 Luftfilter, Ansaugrohr
- 1.41 Vergaser - Weber 28 IBMS
- 1.42. Solex 28 VFIS
- 1.43 Solex 32 PCI
- 1.44 Vergaser Weber 32ICS
- 1.45 Vergaser Solex 40 PID
- 1.46 Vergaser - Zenith 32 NDIX
- 1.47 Benzinpumpen Übersicht
- 1.48 Weber
- 1.49 Solex (Pierburg)
- 1.50 Kraftstoffbehälter, Kraftstoffleitungen
- 1.54 Auspuffanlage 57-58
- 1.55 Auspuffanlage ab 1959
- 1.60 Kupplung Alle
- 1.65 Motor und Getriebeaufhängung
- 2. Getriebe
- 3. Tachoantrieb
- 4. Radaufhängungen
- 5. Lenkung
- 7. Räder und Bremsen
- 8. Bedienungsorgane, Seilzüge
- 9. Elektrik (Zündung, Leuchten...)
- 10. Blechteile
- 11. Karosserieteile
- 12. Sonderzubehör
- 13. Literatur
- 14. Werkzeuge
- 15. Geschenkartikel, Merchandising
- 30.95 Zusatzausstattung
- Modellautos
-
1.Motor
- Steyr Puch 500/500S ab 1968
-
Steyr Puch PKW, Combi bis 1968
- Haflinger Teile
- Fiat Modelle
- Fiat/Lancia Modelle. Lagerabverkauf
- Oldtimerbedarf
- Service und Links
- Literatur
- Blog
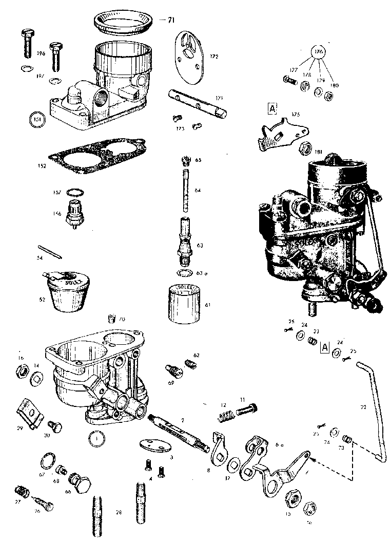
1.42. Solex 28 VFIS
Produkte filtern
Produktnummer: 1x1x665_R
8/24: billiger, da ohne dicke Flanschdichtung (kommt in Kürze wieder)
Produktnummer: 1x13x351
Ausgabe 2026 jetzt mit den Benzinpumpen ergänztvon DI Roland HEIML, 45 Jahre Erfahrung mit jedem Puch Vergaser perfekt aufbereitet. Alle je verwendeten Vergaser (Weber 28 IBMS, Solex 28 VFIS, Weber 32 ICS, Solex 32 PCI, Zenith 32 NDIX, Solex 40 PID) ausführlichst behandelt. Zerlegen, Fehler finden, Zusammenbau, Einstellung etc. Das non plus Ultra für Puch Vergaser. Auf Grund unseres Wunsches endlich auch für alle erhältlich. Format A4, 174 Seiten, Auflage 5, September 2025